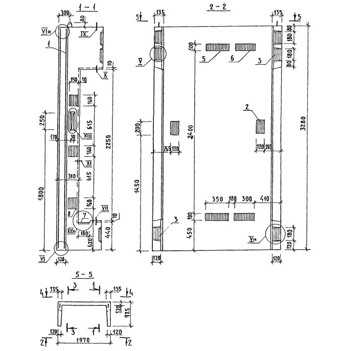
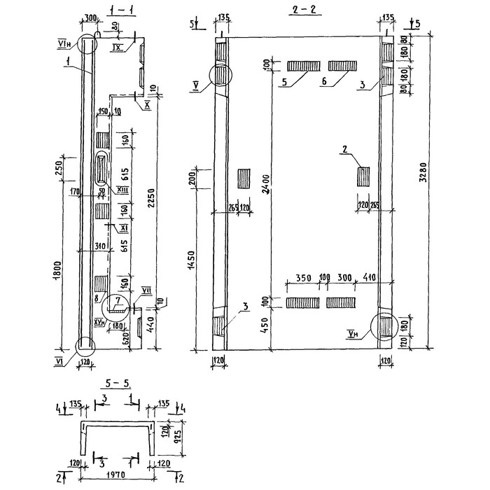
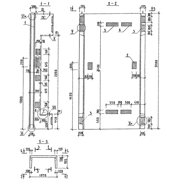
Шахта лифтовая БШЛ 50-30-3 представляет собой железобетонный блок, предназначенный для установки в лифтовых шахтах. Шахта лифтовая БШЛ 50-30-3 обладает отличной устойчивостью к воздействию влаги, температурных перепадов и механических нагрузок, что делает ее идеальным выбором для использования в лифтовых шахтах.
Шахта лифтовая БШЛ 50-30-3 применяется в строительстве лифтовых шахт для обеспечения безопасности и надежности работы лифтов. Изделие идеально подходит для использования в жилых, офисных и коммерческих зданиях, где требуется надежная конструкция лифтовой шахты. Железобетонный блок обеспечивает устойчивость и долговечность шахты, что делает его необходимым элементом в современном строительстве.









